日期:2022-05-23 10:20
浏览次数:5342次
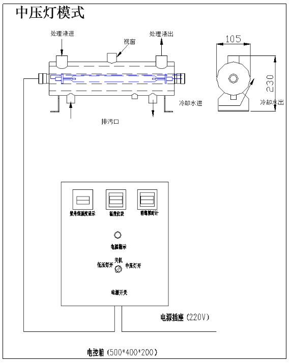
在一个约2L容积的不锈钢腔体,放置单支紫外线光源(低压灯185nm、低压灯185nm+254nm、中压灯200~400nm,三种光源可以任意互换使用),腔体设有垃圾处理液的进出水口,以及冷却液进出水口(冷却液用于降低内部处理液温度,模拟相近水温下的对照组效果),利用三种不同波长的紫外线光源照射,获取试验数据。
朗普电控箱:
1、配有温度显示仪表,用于实时显示垃圾处理液内部温度;
2、配有紫外线强度检测仪,用于检测紫外线强度;
3、配有时间累计时,用于记录紫外线灯的使用时间;
4、三档位切换开关,用于切换不同紫外线光源的开启或关闭;
5、配有垃圾处理液进出水口;
6、配有冷却液进出水口;
7、可选配:中压灯无级调节电子驱动电源(30%~100%功率可调节)

